RS für Radsport:
Hier een hilarische video van een Porsche? Ferdinand GT3 RS. Een mooi ding met allerlei gadgets.
Apr 19, 2012
Apr 8, 2012
146 Relay 2
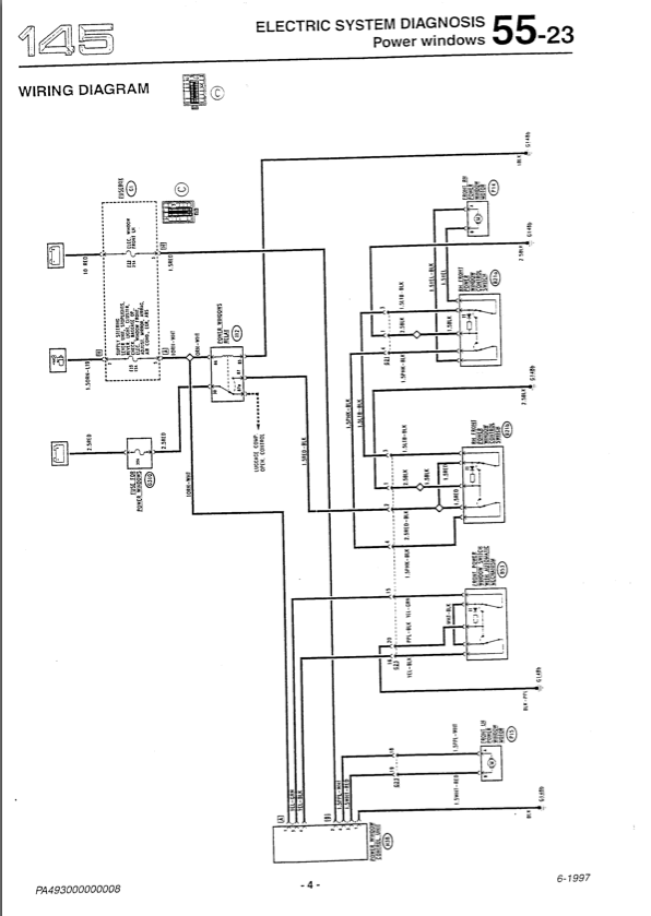
Gisteren gekloot aan de rechterdeurruit van de 146. Ik had een print gemaakt van het electrische schema van de raambediening. Om te onderzoeken wat nu wat is, en de bediening aan de bestuurderskant ook voor de passagierskant werkt, had ik de bestuurdersdeur losgehaald. Met het schema in de hand had ik de losse onderdelen nagelopen, maar snapte het schema niet helemaal. Ik zag mijn buurman in de garage ne liep naar hem toe om te vragen of hij mij kont uitleggen waar het symbool voor stond. "Oh, ik kijk wel eens even, wat ben je aan het doen?"
Mijn buurman is van het technische type. Hij denk logisch en begint bij het begin, en werkt alles stapje voor stapje af. "Heb je de motor nagekeken? De zekering?"
De motor was ik aan het zoeken, maar de zekering leek een eerste optie om te onderzoeken, komt er überhaupt wel stroom bij de motor? "Hoe werkt het geheel?" Stroomschema! Had ik toch iets goed gedaan, het schema uitgeprint, nadat ik dat 's ochtends nog snel van internet had geplukt. Nu bleek de linker en de rechter deurbediening compleet anders te worden aangestuurd. de bestuurderskant direct vanaf de accu zowat, de passagierskant via een omweg en een relais, dat verder prima werkte. Doormetingen bevestigden dit. Daarvoor had ik het dashboard weer even moeten uiteenhalen.
toch nog maar eens de zekeringen opgezocht. Nu lijkt dat bij mijn auto eenvoudig, er ligt een hele kast onder het dashboard, maar juist de zekering van de passagiersdeur, zit op een apart aanvullend zekeringkastje, naast het grote C-type. Maar dat hadden we al gezien bij mijn eerste onderzoek.
Mijn buurman is van het nuchtere type. "Er zit helemaal geen zekering!" Oh! Lang verhaal, kort gevat. Zekering erin, raampje open en dicht. Klaar is kees.
Les voor de leek: als een lamp niet brandt is, kijk eerst of er een peer in zit.
Bedankt, Mike.
Ruig muziekje over het thema relias.
Mijn buurman is van het technische type. Hij denk logisch en begint bij het begin, en werkt alles stapje voor stapje af. "Heb je de motor nagekeken? De zekering?"
De motor was ik aan het zoeken, maar de zekering leek een eerste optie om te onderzoeken, komt er überhaupt wel stroom bij de motor? "Hoe werkt het geheel?" Stroomschema! Had ik toch iets goed gedaan, het schema uitgeprint, nadat ik dat 's ochtends nog snel van internet had geplukt. Nu bleek de linker en de rechter deurbediening compleet anders te worden aangestuurd. de bestuurderskant direct vanaf de accu zowat, de passagierskant via een omweg en een relais, dat verder prima werkte. Doormetingen bevestigden dit. Daarvoor had ik het dashboard weer even moeten uiteenhalen.
toch nog maar eens de zekeringen opgezocht. Nu lijkt dat bij mijn auto eenvoudig, er ligt een hele kast onder het dashboard, maar juist de zekering van de passagiersdeur, zit op een apart aanvullend zekeringkastje, naast het grote C-type. Maar dat hadden we al gezien bij mijn eerste onderzoek.
Mijn buurman is van het nuchtere type. "Er zit helemaal geen zekering!" Oh! Lang verhaal, kort gevat. Zekering erin, raampje open en dicht. Klaar is kees.
Les voor de leek: als een lamp niet brandt is, kijk eerst of er een peer in zit.
Bedankt, Mike.
Ruig muziekje over het thema relias.
Apr 2, 2012
Bartmans
Buurman Bart test zijn nieuwe electische kart die zijn papalief in elkaar geknutseld heeft. Het sleutelvirus wordt langzaam over gegeven.
Subscribe to:
Comments (Atom)



